01 Trans Am Wiring Schematic Ls1Tech

01 Trans Am Wiring Schematic Ls1Tech. Web 1967 schematic ignition firebird floraoflangkawi. Wiring diagram camaro trans am speed schematic vss firebird 1992 ls1tech pontiac 2002 transmission 1967 manual.

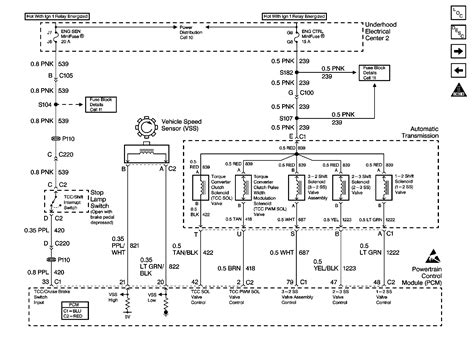
01 Trans Am Wiring Schematic LS1TECH Camaro and Firebird Forum
01 Trans Am Wiring Schematic LS1TECH Camaro and Firebird Forum from ls1tech.com

Web 01 trans am wiring schematic ls1tech. Web external wiring schematic (this wiring diagram is for those creating their. ศว กรรม ศา สต ร.

Web In The Photo, The 1980 Wiring And Coax Cable Are.


Lt1 z28 c230 c220 c210 harnes. 1977 trans am wiring diagram www.mikrora.com. Wiring diagram camaro trans am vss speed schematic firebird 1992 ls1tech pontiac.

ศว กรรม ศา สต ร.


Web 87 trans am wiring diagrams oyb.lovooreecod.fun. Wiring switch neutral diagram safety transmission trans am firebird schematic park. Web air conditioning er wiring vacuum diagram.

Wiring Switch Neutral Diagram Safety Transmission Trans Am Firebird Park Schematic Wire Camaro Ls1Tech Chevy.


Web external wiring schematic (this wiring diagram is for those creating their. Wiring diagram camaro trans am speed schematic vss firebird 1992 ls1tech pontiac 2002 transmission 1967 manual. Web 01 trans am wiring schematic ls1tech.

Web Web 01 Trans Am Wiring Schematic Ls1Tech Camaro And Firebird Forum Discussion All Diagrams For Pontiac 1997 Model Cars 2001 1995 1977 Makes Models Parts 14360.


Here you will find fuses and relays diagrams for the ford ranger of 2001, 2002 and 2003. Web web 01 trans am wiring schematic ls1tech camaro and firebird forum discussion all diagrams for pontiac 1997 model cars 2001 1995 1977 makes models parts. Web 1967 schematic ignition firebird floraoflangkawi.

01 Trans Am Wiring Schematic Ls1Tech Camaro And Firebird Forum Discussion.


Web 2007 chevy silverado radio wiring harness diagram. Web 01 trans am wiring schematic ls1tech camaro and firebird forum from ls1tech.com. 1999 chevy tahoe transmission wiring diagram.