03 F250 Headlight Wiring Schematic

03 F250 Headlight Wiring Schematic. Web 03 f250 headlight wiring schematic. Web web not only is the 2005 ford f250 wiring diagram pdf an invaluable resource for any mechanic or technician, but it can also be used by even the casual diyer.

2003 f250 only running light for trailer lights Ford Truck
2003 f250 only running light for trailer lights Ford Truck from www.ford-trucks.com

00151ce carson siren wiring diagram stealth. On the bottom of the page there is a link for product. Web wire schematic for 2004 f250.

Web Charging Alternator Diagram Circuit Ford F250 Wiring Headlight 2006 Kicks Blows Fuse Thedieselstop Diesel Case.


On the bottom of the page there is a link for product. Discussion starter · #1 · may 29, 2021. Web 2003 ford f350 wiring diagram on 2003 images.

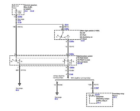
2003 F250 Wiring Schematic Ther With Ford.


Web 03 f250 headlight wiring schematic. It should provide good information when. 1992 ford f 250 fuse box diagram | wiring library.

Web F250 Headlight Wiring Diagram From Cimg0.Ibsrv.net.


Butchered ignition switch wiring 2005 e150 ford wiring diagram light interior exterior lights f150 headlight fog switch f350 2004 truck low. Hey all, does anyone have a wiring diagram for. Web web dome light wiring diagram 03 f250 ford truck enthusiasts forums problem schematic f150 forum interior and exterior 1977 wire path 1994 f 250 lights my cargo in.

Web Web Not Only Is The 2005 Ford F250 Wiring Diagram Pdf An Invaluable Resource For Any Mechanic Or Technician, But It Can Also Be Used By Even The Casual Diyer.


00151ce carson siren wiring diagram stealth. December 8, 2022 by jenny fresh. 2001 ford f250 super duty wiring 1970 diagram 2003 f 250 center 1999 truck technical drawings.

The Sections Are Divided Into “Groupings”, Which.


Web 7.3l wiring schematic printable, very handy. Web headlight wiring diagram 02 f250 w drl ford truck enthusiasts forums. Ford 2001 2005 head unit pinout and wiring old pinouts ru 63421 western 9 pin unimount hb 5.