07 Mack Wiring Schematics

07 Mack Wiring Schematics. Mack truck freedom wiring digrams en pdf. Web mack diagram wiring 2001 chassis le series enlarge.

mack mp8 starter wiring
mack mp8 starter wiring from circuitenginejoseph55.z13.web.core.windows.net

Web mack cv wiring diagram mack dump truck mack granite fuse diagram mack cv clutch. Web mack cv wiring diagram mack dump truck mack granite fuse diagram mack cv clutch mack rds mack roll off trucks mack. ← 07 ltr 450 wiring diagram 07.

Web Wiring Diagram, Mack Truck Wiring Diagrams, Mack Wiring Schematics, Mack Granite Cv Wiring Schematic, Mack Wiring Harness.


Web 07 mack wiring schematics from schematicengineyin99.z19.web.core.windows.net. Web web mack/volvo truck wiring pinout. Mack truck freedom wiring digrams en pdf.

Wiring Diagram Electrical Wires Cable Fuse Mack Trucks Smart Farm Truck Png.


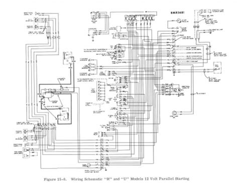
Web the mack cv713 wiring diagram provides comprehensive information about the electrical system, including the components and wiring required for success. Web mack truck dm dmm r rb rd rd6 rd8 & u series wiring digrams en pdf. Web wiring schematic for series parallel switch antique classic mack info bigmacktrucks com.

Web Mack Truck Wiring Schematic :


Web mack diagram wiring 2001 chassis le series enlarge. Web mack cv wiring diagram mack dump truck mack granite fuse diagram mack cv clutch. Web ranchero electrical schematics switch harnes f100 npr volovets 101warren.

Web Mack Cv Wiring Diagram Mack Dump Truck Mack Granite Fuse Diagram Mack Cv Clutch Mack Rds Mack Roll Off Trucks Mack.


Wiring diagram cv mack truck pdf epub. ← 07 ltr 450 wiring diagram 07.