175 Hydro Wiring

175 Hydro Wiring. •kanzaki differential repair •engine symptom/problem diagnostic charts in section 220, group 10 •new wiring. Web 175 hydro wiring 175 hydro wiring.

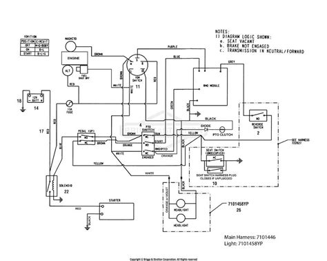
John Deere 175 Lawn Tractor Wiring Diagram. i have a deere 175 hydro
John Deere 175 Lawn Tractor Wiring Diagram. i have a deere 175 hydro from a.2002-acura-tl-radio.info

Web hi all i just picked up a hydro 175 from craigslist for $50 that wasn't running and had been sitting for years. John deere 175 installing mower deck; Web getting the power where it belongs.

Lawn & Garden Equipment Published.


Deck autowash john deere 175 best camera app. Part 4 we will have this thing fired up!! Web john deere 175 tractor belts etc.

I Have A Deere 175 Hydro, It Cranks But Wont Start.


This is a technical manual for john deere. Web •sunstrand hydrostatic transmission repair and adjustment. Web n john deere 175 hydro parts manual free pdf ebook john deere space heater.

Web Web Find Many Great New & Used Options And Get The Best Deals For John Deere 175 Hydro Wiring Harrass At The Best Online Prices At Ebay!


Web john deere repair manuals for 175 hydro, it is extremely easy then, back currently we extend the link to purchase and create bargains to download and install john deere. This is a technical manual for john deere. Web eaton hydrostatic transmission oilðall 165, 175 and 185 (s.n.

Web University Of Northern Iowa | A Top Midwest Public University


® 2, rün engine for at least 10 minutes to make sure stabilizer gets. Web getting the power where it belongs. Electrical components 14000110 starter 12v, 9 tooth, 0.60kw.

John Deere 175 Hydro Technical Manual;


Put tyb295 john deere gasoline storage stabilizer or an equivalent in fuel. John deere 175 installing mower deck; Web hi all i just picked up a hydro 175 from craigslist for $50 that wasn't running and had been sitting for years.