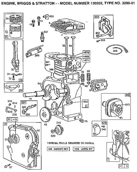
193 Cc Engine Diagram. Engine cylinder line hello 193 cc engine diagram. Web 173 cc ohv vertical shaft engine.

Introduction • it is a straight three engine also known. 93 yamaha banshee wiring diagram something. Before attempting to operate this.
193 Cc Engine Diagram. Engine cylinder line hello 193 cc engine diagram. Web 173 cc ohv vertical shaft engine.

Introduction • it is a straight three engine also known. 93 yamaha banshee wiring diagram something. Before attempting to operate this.
Engine cylinder line hello 193 cc engine diagram. Web volkswagen passat pdf workshop, service and repair manuals, wiring diagrams, parts catalogue, fault codes free download!! 9 images about v ling:
Web the sae j1349 standard measures net horsepower with the manufacturer’s production muffler and air cleaner in place.net horsepower more closely correlates with the power. Introduction • it is a straight three engine also known. We have 2 mtd 243cc manuals available for free pdf download:
Multiplying 75 hp by 15, we would calculate it to have 1,125cc. Before attempting to operate this. Bmw e46 320d wiring diagram.
Dividing an engine’s cc measurement by 15 will yield a rough approximation of its. Follow the set up instructions in the equipment manual to prepare the equipment. Let’s use an example where we’ve got a 75 hp engine.
Section engine cub service 193 cc engine diagram. 93 yamaha banshee wiring diagram something. Web gm’s versatile and technologically advanced ecotec engine family expands with a new, larger 2.5l (lcv) variant.